almhp.com

Resistores

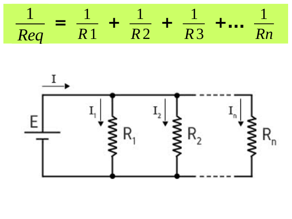
imagem10.png
Figura 10 - Resistores em circuito paralelo.

Associação em paralelo - Na associação em paralelo - a resistência total neste tipo de circuito é sempre menor do que o menor valor do resistor utilizado na ligação.

Para se calcular a resistência total ou resistência equivalente (Req) de uma associação em paralelo de resistores, utiliza-se a fórmula acima.